e-fat/e-cargo

Moteur de moyeu arrière S-Type Pro RC

Le moteur de moyeu arrière S-Type Pro RC est conçu pour les vélos E-Cargo et E-Fat, offrant une puissance nominale de 750W à 1500W. Il est doté d'une cassette 8 à 10 vitesses, d'une patte de décrochage de 190 mm et d'un couple de décrochage maximal supérieur à 145 Nm. Ce moteur offre une forte traction dans des conditions à basse vitesse, garantissant une capacité de montée stable sur des pentes raides, du sable mou ou des terrains glissants. Équipé des engrenages en nylon métallique brevetés de HT, il est cinq fois plus résistant que les engrenages en nylon traditionnels, dure plus de 40 000 km et réduit considérablement les coûts de maintenance. Dans les applications de moteur de moyeu de vélo électrique d'une puissance nominale supérieure à 1 000 W, seuls les engrenages en plastique et acier de HT peuvent résister à des couples continus supérieurs à 100 Nm.

Paramètre clé
Structure du moteur : Tension nominale (V) : Puissance nominale (W) :
/ 36-60 600-1500
Couple de pointe (N.m.) : Poids (kg) : ANCIEN (mm):
145 6 190
informations détaillées
  • Moteur de moyeu arrière S-Type Pro RC
  • Moteur de moyeu arrière S-Type Pro RC
Ningbo Yinzhou HENTACH Electromechanical Co., Ltd. Product Parameters Ningbo Yinzhou HENTACH Electromechanical Co., Ltd. Drawing Ningbo Yinzhou HENTACH Electromechanical Co., Ltd. Contact Us

Données de base

Puissance nominale 600-1500
Tension nominale 36-60
Diamètre de roue 20-26
Plage de vitesse 35-65
Couple maximal 145
Rapport de démultiplication 5
Poids (kg) 6

Paramètres d'installation

Frein Frein à disque
Cassette de capteur de couple Non
Itinéraire de câblage Côté essieu gauche
Trou de rayon 2-18-Ф3.2
Indice d'étanchéité IP54 (jusqu'à IP65)
Volant/Pignon Kafei 7-10 vitesses
Certificats TUV/EN15194/RoHS

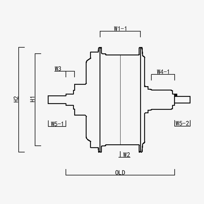
H1/OD : 162
H2/DE moteur : 183
W1(-1/-2) : 70.8
W2 : 0
W3 : 15.2
W4(-1/-2) : 40.5
W5(-1/-2) : 31/27
ANCIEN : 190
Longueur de l'essieu : 248
Ningbo Yinzhou HENTACH Electromechanical Co., Ltd.
contactez-nous
  • Soumettre et envoyer
Ningbo Yinzhou HENTACH Electromechanical Co., Ltd.
CE QUI NOUS DISTINGUE
  • Puissant moteur de moyeu à propulsion arrière avec engrenages ouverts de 190 mm et puissance nominale jusqu'à 1 500 W.

  • Engrenages en plastique brevetés : 5 fois le couple des engrenages en nylon ; durée de vie supérieure à 40 000 km ; baisse du service après-vente

  • Couple de décrochage jusqu'à 145 NM ou plus, conçu pour efat/Cargo.

QUI SOMMES NOUS Plus que 20 ans d'expérience en production.

Ningbo Yinzhou HENTACH Electromechanical Co., Ltd. (Anciennement Hengtai Motor) Créé en 1995 et anciennement connu sous le nom de « Hengtai Motor » (le nom chinois de notre société), nous avons officiellement adopté le nom anglais « HENTACH Motor » en 2020. Les deux noms représentent le même fabricant de confiance dédié à l'innovation électromécanique depuis plus de 30 ans. Spécialisés dans le moulage et le traitement de précision de moteurs à courant continu miniatures, de moteurs de moyeu électriques/motos et d'alliages aluminium-magnésium pour véhicules électriques, nous combinons un système de contrôle qualité ISO 9001 rigoureux, des pratiques de gestion matures et des équipements de fabrication/test de pointe pour fournir des solutions fiables.

With end-to-end capabilities spanning from raw material casting to final product delivery, we serve diverse markets including e-bikes, cargo vehicles, AGVs, golf cars, agricultural machinery, and e-karting. Our 9,000+㎡ campus (5,000㎡ built area) houses over 60 units of advanced production equipment, including 500-ton die-casting machines, precision CNC machine tools, laser marking systems, micro-arc oxidation lines, and two dedicated electric vehicle motor test benches. This infrastructure ensures efficient production and strict compliance with international quality standards.

Chez HENTACH (Hengtai), nous accordons la priorité aux matériaux de haute qualité et à la technologie exclusive : notre engrenage en nylon-acier breveté témoigne de notre excellence en ingénierie. Pour valider la durabilité, nous avons lancé un programme de garantie de kilométrage pour les moteurs dépassant 30 000 miles. Le résultat ? Plus de 50 moteurs ont non seulement atteint cette référence, mais l'ont même dépassée, certains atteignant une distance impressionnante de 50 000 milles. Ces performances concrètes reflètent notre souci constant de la fiabilité et nous motivent à innover continuellement pour des solutions de moteurs plus intelligentes et plus solides.​
Faites confiance à la marque connue dans le monde entier sous les noms de Hengtai Motor et HENTACH Motor, où l'innovation brevetée des engrenages en acier rencontre une durabilité éprouvée.

Certifié par Certifications