eVTT / E-cargo

Moteur de moyeu arrière E-Type Pro RF750

Le moteur de moyeu arrière E-Type Pro RF750 est conçu pour les vélos E-Cargo et E-MTB, compatible avec un filetage à 7 vitesses sur roue libre et un OLD de 135 mm. La puissance nominale est de 750 W avec plus de 85 Nm de couple, permettant de gérer facilement des charges élevées et des terrains complexes. Équipé d'engrenages en plastique-acier brevetés, le moteur offre une capacité de couple 5 fois supérieure à celle des engrenages en nylon, dure plus de 40 000 km et réduit considérablement les coûts de maintenance. Que ce soit sur des pentes abruptes, des sentiers accidentés ou pour le transport de marchandises lourdes, il offre une capacité de montée exceptionnelle et une accélération instantanée.

Paramètre clé
Structure du moteur : Tension nominale (V) : Puissance nominale (W) :
Moteur de moyeu à propulsion arrière 36-48 350-750
Couple de pointe (N.m.) : Poids (kg) : ANCIEN (mm):
85 5.5 137
informations détaillées
  • Moteur de moyeu arrière E-Type Pro RF750
  • Moteur de moyeu arrière E-Type Pro RF750
Ningbo Yinzhou HENTACH Electromechanical Co., Ltd. Product Parameters Ningbo Yinzhou HENTACH Electromechanical Co., Ltd. Drawing Ningbo Yinzhou HENTACH Electromechanical Co., Ltd. Contact Us

Données de base

Puissance nominale 350-750
Tension nominale 36-48
Diamètre de roue 20-28
Plage de vitesse 25-38
Couple maximal 85
Rapport de démultiplication 5.27
Poids (kg) 5.5

Paramètres d'installation

Frein Frein à disque
Cassette de capteur de couple Non
Itinéraire de câblage Côté essieu gauche
Trou de rayon 2-18-Ф3.2
Indice d'étanchéité IP54 (jusqu'à IP65)
Volant/Pignon Rotatif à 7 vitesses
Certificats TUV/EN15194/RoHS

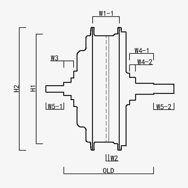
H1/OD : 167
H2/DE moteur : 187
W1(-1/-2) : 40.8
W2 : 4.15
W3 : 15.2
W4(-1/-2) : 37/9
W5(-1/-2) : 27/31
ANCIEN : 137
Longueur de l'essieu : 195
Ningbo Yinzhou HENTACH Electromechanical Co., Ltd.
contactez-nous
  • Soumettre et envoyer
Ningbo Yinzhou HENTACH Electromechanical Co., Ltd.
CE QUI NOUS DISTINGUE
  • Puissant moteur de moyeu à propulsion arrière, avec volant d'inertie rotatif à 7 vitesses, ouverture d'engrenage de 135 mm, adaptabilité supérieure et puissance nominale jusqu'à 750 W.

  • Engrenage en acier plastique breveté : 5 fois le couple de l'engrenage en nylon ; durée de vie supérieure à 40 000 kilomètres ; baisse du service après-vente

  • Couple de décrochage jusqu'à 85 NM, spécialement conçu pour les VTTAE/Cargo.

QUI SOMMES NOUS Plus que 20 ans d'expérience en production.

Ningbo Yinzhou HENTACH Electromechanical Co., Ltd. (Anciennement Hengtai Motor) Créé en 1995 et anciennement connu sous le nom de « Hengtai Motor » (le nom chinois de notre société), nous avons officiellement adopté le nom anglais « HENTACH Motor » en 2020. Les deux noms représentent le même fabricant de confiance dédié à l'innovation électromécanique depuis plus de 30 ans. Spécialisés dans le moulage et le traitement de précision de moteurs à courant continu miniatures, de moteurs de moyeu électriques/motos et d'alliages aluminium-magnésium pour véhicules électriques, nous combinons un système de contrôle qualité ISO 9001 rigoureux, des pratiques de gestion matures et des équipements de fabrication/test de pointe pour fournir des solutions fiables.

With end-to-end capabilities spanning from raw material casting to final product delivery, we serve diverse markets including e-bikes, cargo vehicles, AGVs, golf cars, agricultural machinery, and e-karting. Our 9,000+㎡ campus (5,000㎡ built area) houses over 60 units of advanced production equipment, including 500-ton die-casting machines, precision CNC machine tools, laser marking systems, micro-arc oxidation lines, and two dedicated electric vehicle motor test benches. This infrastructure ensures efficient production and strict compliance with international quality standards.

Chez HENTACH (Hengtai), nous accordons la priorité aux matériaux de haute qualité et à la technologie exclusive : notre engrenage en nylon-acier breveté témoigne de notre excellence en ingénierie. Pour valider la durabilité, nous avons lancé un programme de garantie de kilométrage pour les moteurs dépassant 30 000 miles. Le résultat ? Plus de 50 moteurs ont non seulement atteint cette référence, mais l'ont même dépassée, certains atteignant une distance impressionnante de 50 000 milles. Ces performances concrètes reflètent notre souci constant de la fiabilité et nous motivent à innover continuellement pour des solutions de moteurs plus intelligentes et plus solides.​
Faites confiance à la marque connue dans le monde entier sous les noms de Hengtai Motor et HENTACH Motor, où l'innovation brevetée des engrenages en acier rencontre une durabilité éprouvée.

Certifié par Certifications