Route / E-route

Moteur de moyeu arrière HT MINI2 THRU AXLE

Le moteur de moyeu à axe traversant HT MINI2 de 7 mm est conçu pour les vélos de route haut de gamme et les vélos électriques de ville à axe traversant. Il présente une conception à axe traversant de 7 mm, compatible avec les axes de 10 mm et 12 mm, pesant seulement 1,75 kg (sans cassette). La conception de décrochage de 135 mm et le couple de 35 Nm garantissent des performances élevées. Sa sortie de câble sur le côté gauche optimise la gestion des câbles et améliore la stabilité et la sécurité. Équipé d'engrenages en plastique-acier brevetés, le moteur offre une résistance cinq fois supérieure à celle des engrenages en nylon, dure plus de 40 000 km et réduit les coûts de maintenance. La conception du rotor externe minimise les erreurs cumulatives, garantissant une résistance et une durabilité supérieures.

Paramètre clé
Structure du moteur : Tension nominale (V) : Puissance nominale (W) :
Moteur de moyeu Outrunner 36-48 180-220
Couple de pointe (N.m.) : Poids (kg) : ANCIEN (mm):
35 1,95 (avec cassette) 135
informations détaillées
  • Moteur de moyeu arrière HT MINI2 THRU AXLE
  • Moteur de moyeu arrière HT MINI2 THRU AXLE
Ningbo Yinzhou HENTACH Electromechanical Co., Ltd. Product Parameters Ningbo Yinzhou HENTACH Electromechanical Co., Ltd. Drawing Ningbo Yinzhou HENTACH Electromechanical Co., Ltd. Contact Us

Données de base

Puissance nominale 180-220
Tension nominale 36-48
Diamètre de roue 20-28
Plage de vitesse 25-32
Couple maximal 35
Rapport de démultiplication 5
Poids (kg) 1,95 (avec cassette)

Paramètres d'installation

Frein frein à disque
Cassette de capteur de couple Disponible
Itinéraire de câblage Côté essieu gauche
Trou de rayon 2-18-Ф3.2
Indice d'étanchéité IP54 (jusqu'à IP65)
Volant/Pignon Cassette 7-12 vitesses
Certificats TUV/EN15194/RoHS

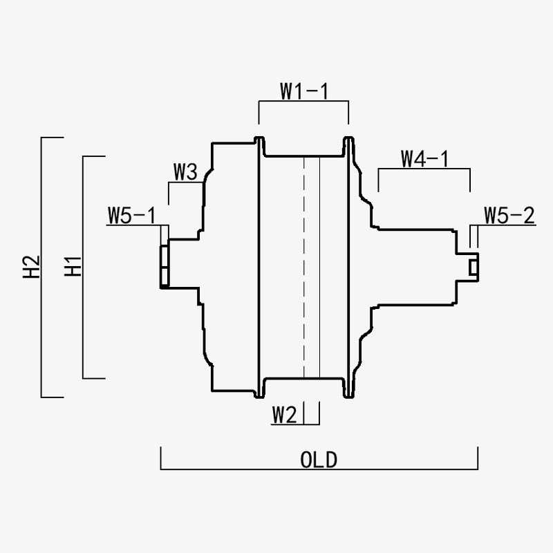
H1/OD : 99.7
H2/DE moteur : 116.7
W1(-1/-2) : 40
W2 : 7
W3 : 15.25
W4(-1/-2) : 42.5
W5(-1/-2) : 3.5
ANCIEN : 135
Longueur de l'essieu : 142
Ningbo Yinzhou HENTACH Electromechanical Co., Ltd.
contactez-nous
  • Soumettre et envoyer
Ningbo Yinzhou HENTACH Electromechanical Co., Ltd.
CE QUI NOUS DISTINGUE
  • Engrenage en acier plastique breveté : 5 fois le couple de l'engrenage en nylon ; durée de vie supérieure à 40 000 km ; service après-vente inférieur

  • Moteur externe : structure plus stable et taux de défaillance inférieur à celui du rotor interne

  • L'axe de barillet de 7 mm peut être adapté à une structure d'essieu de barillet de 10 mm, plus légère et plus petite, avec une ouverture d'engrenage de 135 mm, et peut atteindre un couple de 35 NM

QUI SOMMES NOUS Plus que 20 ans d'expérience en production.

Ningbo Yinzhou HENTACH Electromechanical Co., Ltd. (Anciennement Hengtai Motor) Créé en 1995 et anciennement connu sous le nom de « Hengtai Motor » (le nom chinois de notre société), nous avons officiellement adopté le nom anglais « HENTACH Motor » en 2020. Les deux noms représentent le même fabricant de confiance dédié à l'innovation électromécanique depuis plus de 30 ans. Spécialisés dans le moulage et le traitement de précision de moteurs à courant continu miniatures, de moteurs de moyeu électriques/motos et d'alliages aluminium-magnésium pour véhicules électriques, nous combinons un système de contrôle qualité ISO 9001 rigoureux, des pratiques de gestion matures et des équipements de fabrication/test de pointe pour fournir des solutions fiables.

With end-to-end capabilities spanning from raw material casting to final product delivery, we serve diverse markets including e-bikes, cargo vehicles, AGVs, golf cars, agricultural machinery, and e-karting. Our 9,000+㎡ campus (5,000㎡ built area) houses over 60 units of advanced production equipment, including 500-ton die-casting machines, precision CNC machine tools, laser marking systems, micro-arc oxidation lines, and two dedicated electric vehicle motor test benches. This infrastructure ensures efficient production and strict compliance with international quality standards.

Chez HENTACH (Hengtai), nous accordons la priorité aux matériaux de haute qualité et à la technologie exclusive : notre engrenage en nylon-acier breveté témoigne de notre excellence en ingénierie. Pour valider la durabilité, nous avons lancé un programme de garantie de kilométrage pour les moteurs dépassant 30 000 miles. Le résultat ? Plus de 50 moteurs ont non seulement atteint cette référence, mais l'ont même dépassée, certains atteignant une distance impressionnante de 50 000 milles. Ces performances concrètes reflètent notre souci constant de la fiabilité et nous motivent à innover continuellement pour des solutions de moteurs plus intelligentes et plus solides.​
Faites confiance à la marque connue dans le monde entier sous les noms de Hengtai Motor et HENTACH Motor, où l'innovation brevetée des engrenages en acier rencontre une durabilité éprouvée.

Certifié par Certifications