Ville électronique

Moteur de moyeu arrière de type C R350

Le moteur de moyeu arrière de type C R350, conçu pour les vélos électriques de ville, offre une plage de puissance nominale de 250 à 400 W et prend en charge le filetage à une ou à 7 vitesses sur la roue libre. Compatible avec les systèmes 36 V ou 48 V, il offre des performances stables avec un indice d'étanchéité jusqu'à IP65. Le moteur présente un couple de 45 Nm et équipe des engrenages en plastique-acier brevetés HT, idéaux pour les arrêts et démarrages fréquents en environnement urbain et les applications de freinage électronique.

Paramètre clé
Structure du moteur : Tension nominale (V) : Puissance nominale (W) :
Moteur de moyeu à propulsion arrière 36-48 250-400
Couple de pointe (N.m.) : Poids (kg) : ANCIEN (mm):
45 3 137
informations détaillées
  • Moteur de moyeu arrière de type C R350
  • Moteur de moyeu arrière de type C R350
Ningbo Yinzhou HENTACH Electromechanical Co., Ltd. Product Parameters Ningbo Yinzhou HENTACH Electromechanical Co., Ltd. Drawing Ningbo Yinzhou HENTACH Electromechanical Co., Ltd. Contact Us

Données de base

Puissance nominale 250-400
Tension nominale 36-48
Diamètre de roue 20-28
Plage de vitesse 25-38
Couple maximal 45
Rapport de démultiplication 4.43
Poids (kg) 3

Paramètres d'installation

Frein Frein à disque
Cassette de capteur de couple Non
Itinéraire de câblage Essieu Central Droit
Trou de rayon 2-18-Ф3.2
Indice d'étanchéité IP54 (jusqu'à IP65)
Volant/Pignon Rotatif à 7 vitesses
Certificats TUV/EN15194/RoHS/UL1004-1

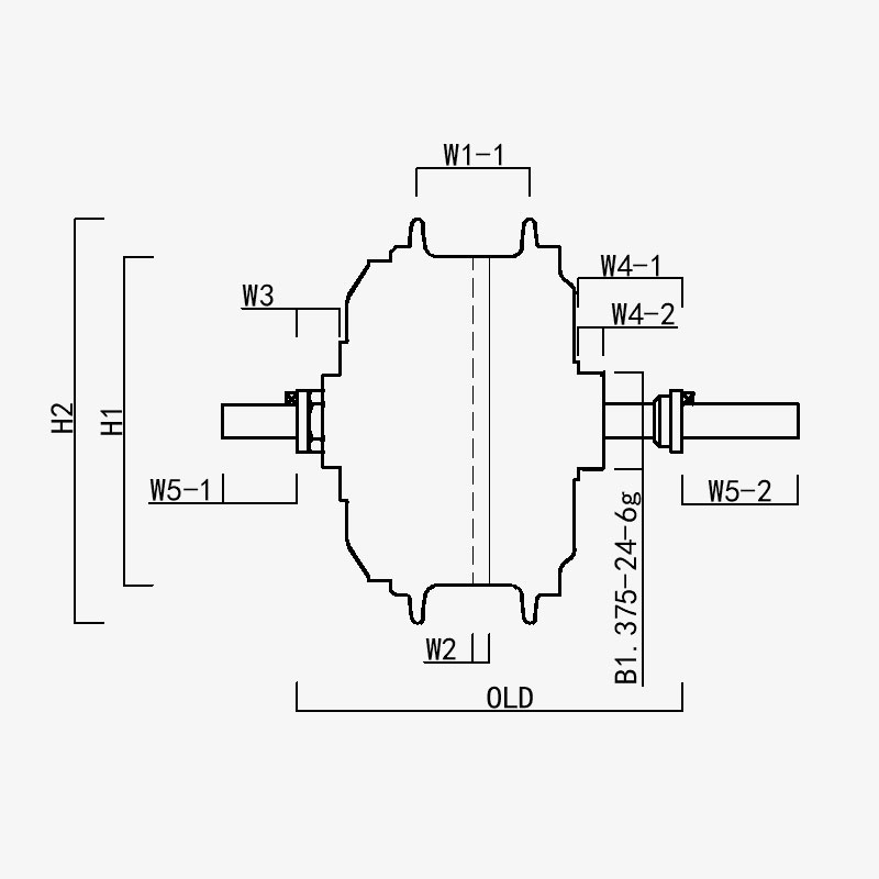
H1/OD : 117
H2/DE moteur : 144
W1(-1/-2) : 40
W2 : 5.9
W3 : 15.2
W4(-1/-2) : 37/9
W5(-1/-2) : 26,5/41,5
ANCIEN : 137
Longueur de l'essieu : 205
Ningbo Yinzhou HENTACH Electromechanical Co., Ltd.
contactez-nous
  • Soumettre et envoyer
Ningbo Yinzhou HENTACH Electromechanical Co., Ltd.
CE QUI NOUS DISTINGUE
  • Le poids n'est que de 3 kg et le couple de décrochage peut atteindre 45 NM.

  • Engrenage en acier plastique breveté : 5 fois le couple de l'engrenage en nylon ; la durée de vie est supérieure à 40 000 kilomètres ; baisse du service après-vente

  • Equipé d'un volant d'inertie rotatif à 7 vitesses, avec une ouverture de vitesse de 137 mm, conçu pour c-city

QUI SOMMES NOUS Plus que 20 ans d'expérience en production.

Ningbo Yinzhou HENTACH Electromechanical Co., Ltd. (Anciennement Hengtai Motor) Créé en 1995 et anciennement connu sous le nom de « Hengtai Motor » (le nom chinois de notre société), nous avons officiellement adopté le nom anglais « HENTACH Motor » en 2020. Les deux noms représentent le même fabricant de confiance dédié à l'innovation électromécanique depuis plus de 30 ans. Spécialisés dans le moulage et le traitement de précision de moteurs à courant continu miniatures, de moteurs de moyeu électriques/motos et d'alliages aluminium-magnésium pour véhicules électriques, nous combinons un système de contrôle qualité ISO 9001 rigoureux, des pratiques de gestion matures et des équipements de fabrication/test de pointe pour fournir des solutions fiables.

With end-to-end capabilities spanning from raw material casting to final product delivery, we serve diverse markets including e-bikes, cargo vehicles, AGVs, golf cars, agricultural machinery, and e-karting. Our 9,000+㎡ campus (5,000㎡ built area) houses over 60 units of advanced production equipment, including 500-ton die-casting machines, precision CNC machine tools, laser marking systems, micro-arc oxidation lines, and two dedicated electric vehicle motor test benches. This infrastructure ensures efficient production and strict compliance with international quality standards.

Chez HENTACH (Hengtai), nous accordons la priorité aux matériaux de haute qualité et à la technologie exclusive : notre engrenage en nylon-acier breveté témoigne de notre excellence en ingénierie. Pour valider la durabilité, nous avons lancé un programme de garantie de kilométrage pour les moteurs dépassant 30 000 miles. Le résultat ? Plus de 50 moteurs ont non seulement atteint cette référence, mais l'ont même dépassée, certains atteignant une distance impressionnante de 50 000 milles. Ces performances concrètes reflètent notre souci constant de la fiabilité et nous motivent à innover continuellement pour des solutions de moteurs plus intelligentes et plus solides.​
Faites confiance à la marque connue dans le monde entier sous les noms de Hengtai Motor et HENTACH Motor, où l'innovation brevetée des engrenages en acier rencontre une durabilité éprouvée.

Certifié par Certifications