Route / E-route

Moteur de moyeu arrière à axe traversant de type D

Le moteur de moyeu arrière D-TYPE THRU AXLE, conçu pour les VTT électriques et les vélos de route/Graval électriques, ne pèse que 2,4 kg (cassette incluse) avec un axe traversant de 148 mm. Sa conception légère et sa structure à axe traversant assurent une résistance et une stabilité élevées lors de la conduite à grande vitesse. Avec une puissance nominale de 48 V 250 W et un couple de décrochage supérieur à 50 Nm, il est compatible avec une cassette de capteur de couple, offrant une accélération en douceur et des performances réactives sur divers terrains.

Paramètre clé
Structure du moteur : Tension nominale (V) : Puissance nominale (W) :
Moteur de moyeu Outrunner 36-48 220-250
Couple de pointe (N.m.) : Poids (kg) : ANCIEN (mm):
>50NM 2.4 (avec cassette) 141
informations détaillées
  • Moteur de moyeu arrière à axe traversant de type D
  • Moteur de moyeu arrière à axe traversant de type D
Ningbo Yinzhou HENTACH Electromechanical Co., Ltd. Product Parameters Ningbo Yinzhou HENTACH Electromechanical Co., Ltd. Drawing Ningbo Yinzhou HENTACH Electromechanical Co., Ltd. Contact Us

Données de base

Puissance nominale 220-250
Tension nominale 36-48
Diamètre de roue 20-28
Plage de vitesse 25-32
Couple maximal >50NM
Rapport de démultiplication 6.3
Poids (kg) 2.4 (avec cassette)

Paramètres d'installation

Frein frein à disque
Cassette de capteur de couple Oui
Itinéraire de câblage Côté essieu gauche
Trou de rayon 2-18-Ф3.2
Indice d'étanchéité IP54 (jusqu'à IP65)
Volant/Pignon Cassette 7-12 vitesses/Cassette 7-12 vitesses
Certificats TUV/EN15194/RoHS

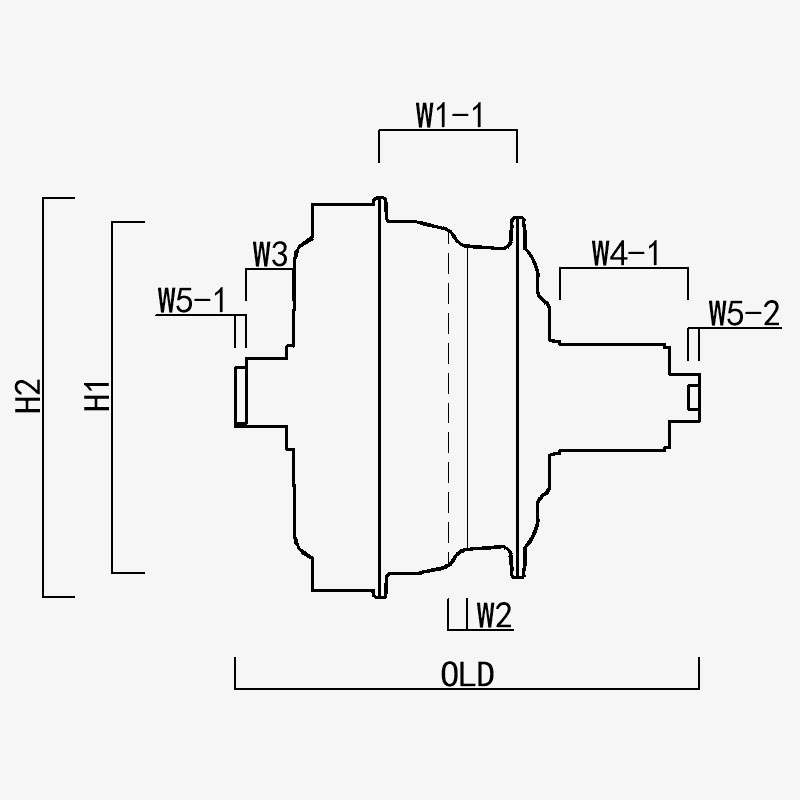
H1/OD : 112
H2/DE moteur : 128
W1(-1/-2) : 44
W2 : 6
W3 : 15.25
W4(-1/-2) : 42.5
W5(-1/-2) : 3.5
ANCIEN : 141
Longueur de l'essieu : 148
Ningbo Yinzhou HENTACH Electromechanical Co., Ltd.
contactez-nous
  • Soumettre et envoyer
Ningbo Yinzhou HENTACH Electromechanical Co., Ltd.
CE QUI NOUS DISTINGUE
  • Engrenage en acier plastique breveté : 5 fois le couple de l'engrenage en nylon ; durée de vie supérieure à 40 000 km ; service après-vente moindre

  • Moteur à rotor externe : structure plus stable et taux de défaillance inférieur à celui du rotor interne

  • La structure d'arbre cylindrique standard de 10 mm, plus légère et plus petite, avec une ouverture d'engrenage de 142 mm, peut atteindre un couple de >50 NM, le moteur à arbre cylindrique de 250 W avec le plus grand couple du marché

QUI SOMMES NOUS Plus que 20 ans d'expérience en production.

Ningbo Yinzhou HENTACH Electromechanical Co., Ltd. (Anciennement Hengtai Motor) Créé en 1995 et anciennement connu sous le nom de « Hengtai Motor » (le nom chinois de notre société), nous avons officiellement adopté le nom anglais « HENTACH Motor » en 2020. Les deux noms représentent le même fabricant de confiance dédié à l'innovation électromécanique depuis plus de 30 ans. Spécialisés dans le moulage et le traitement de précision de moteurs à courant continu miniatures, de moteurs de moyeu électriques/motos et d'alliages aluminium-magnésium pour véhicules électriques, nous combinons un système de contrôle qualité ISO 9001 rigoureux, des pratiques de gestion matures et des équipements de fabrication/test de pointe pour fournir des solutions fiables.

With end-to-end capabilities spanning from raw material casting to final product delivery, we serve diverse markets including e-bikes, cargo vehicles, AGVs, golf cars, agricultural machinery, and e-karting. Our 9,000+㎡ campus (5,000㎡ built area) houses over 60 units of advanced production equipment, including 500-ton die-casting machines, precision CNC machine tools, laser marking systems, micro-arc oxidation lines, and two dedicated electric vehicle motor test benches. This infrastructure ensures efficient production and strict compliance with international quality standards.

Chez HENTACH (Hengtai), nous accordons la priorité aux matériaux de haute qualité et à la technologie exclusive : notre engrenage en nylon-acier breveté témoigne de notre excellence en ingénierie. Pour valider la durabilité, nous avons lancé un programme de garantie de kilométrage pour les moteurs dépassant 30 000 miles. Le résultat ? Plus de 50 moteurs ont non seulement atteint cette référence, mais l'ont même dépassée, certains atteignant une distance impressionnante de 50 000 milles. Ces performances concrètes reflètent notre souci constant de la fiabilité et nous motivent à innover continuellement pour des solutions de moteurs plus intelligentes et plus solides.​
Faites confiance à la marque connue dans le monde entier sous les noms de Hengtai Motor et HENTACH Motor, où l'innovation brevetée des engrenages en acier rencontre une durabilité éprouvée.

Certifié par Certifications