E-route / E-ville

Moteur de moyeu arrière à cassette HT MINI

Le moteur de moyeu à cassette HT MINI 8-10 vitesses est conçu pour les vélos électriques de ville et de route, ce qui en fait l'un des plus petits moteurs de moyeu à rotor externe du marché. Il présente un design compact et léger pesant seulement 1,95 kg, avec une puissance nominale de 220 W et plus de 30 Nm de couple, la cassette du capteur de couple est disponible. Le moteur peut atteindre jusqu'à 250W avec un couple de décrochage de 40Nm. Sa conception à rotor externe réduit les erreurs cumulatives, améliorant ainsi la durabilité et la stabilité.

Paramètre clé
Structure du moteur : Tension nominale (V) : Puissance nominale (W) :
Moteur de moyeu Outrunner 36-48 180-250
Couple de pointe (N.m.) : Poids (kg) : ANCIEN (mm):
40 2,18 (220 W) 142
informations détaillées
  • Moteur de moyeu arrière à cassette HT MINI
  • Moteur de moyeu arrière à cassette HT MINI
Ningbo Yinzhou HENTACH Electromechanical Co., Ltd. Product Parameters Ningbo Yinzhou HENTACH Electromechanical Co., Ltd. Drawing Ningbo Yinzhou HENTACH Electromechanical Co., Ltd. Contact Us

Données de base

Puissance nominale 180-250
Tension nominale 36-48
Diamètre de roue 20-28
Plage de vitesse 25-38
Couple maximal 40
Rapport de démultiplication 5
Poids (kg) 2,18 (220 W)

Paramètres d'installation

Frein Frein à disque
Cassette de capteur de couple Oui
Itinéraire de câblage Essieu Central Droit
Trou de rayon 2-18-Ф3.2
Indice d'étanchéité IP54 (jusqu'à IP65)
Volant/Pignon KAFI 7-10 vitesses
Certificats TUV/EN15194/RoHS

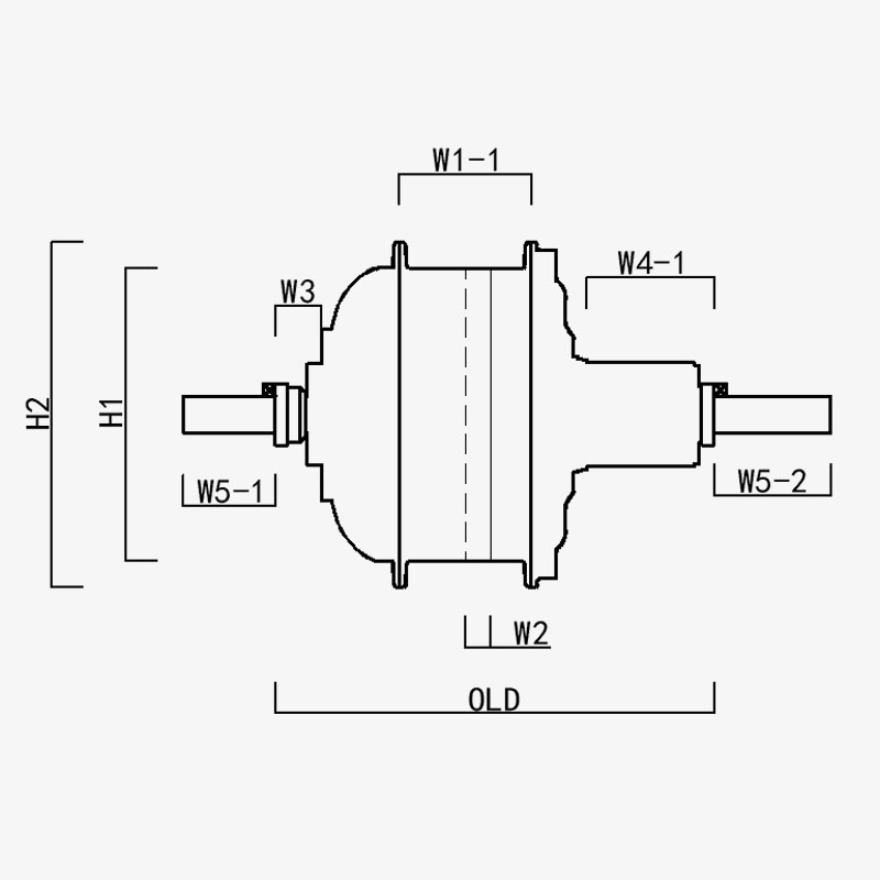
H1/OD : 95.5
H2/DE moteur : 112.5
W1(-1/-2) : 43
W2 : 8
W3 : 15
W4(-1/-2) : 42.5
W5(-1/-2) : 30/39
ANCIEN : 142
Longueur de l'essieu : 211
Ningbo Yinzhou HENTACH Electromechanical Co., Ltd.
contactez-nous
  • Soumettre et envoyer
Ningbo Yinzhou HENTACH Electromechanical Co., Ltd.
CE QUI NOUS DISTINGUE
  • Le moteur a un diamètre extérieur de 95 mm, avec un volant d'inertie à cassette à 10 vitesses, pesant seulement 2,15 kg, un moteur à rotor extérieur ultra-léger et un couple de décrochage allant jusqu'à 40 NM. Un partenaire vélo électrique.

  • Engrenage en acier plastique breveté : 5 fois le couple des engrenages en nylon ; durée de vie supérieure à 40 000 kilomètres ; baisse du service après-vente

  • Moteur à rotor externe : structure plus stable que le rotor interne, taux de défaillance inférieur

QUI SOMMES NOUS Plus que 20 ans d'expérience en production.

Ningbo Yinzhou HENTACH Electromechanical Co., Ltd. (Anciennement Hengtai Motor) Créé en 1995 et anciennement connu sous le nom de « Hengtai Motor » (le nom chinois de notre société), nous avons officiellement adopté le nom anglais « HENTACH Motor » en 2020. Les deux noms représentent le même fabricant de confiance dédié à l'innovation électromécanique depuis plus de 30 ans. Spécialisés dans le moulage et le traitement de précision de moteurs à courant continu miniatures, de moteurs de moyeu électriques/motos et d'alliages aluminium-magnésium pour véhicules électriques, nous combinons un système de contrôle qualité ISO 9001 rigoureux, des pratiques de gestion matures et des équipements de fabrication/test de pointe pour fournir des solutions fiables.

With end-to-end capabilities spanning from raw material casting to final product delivery, we serve diverse markets including e-bikes, cargo vehicles, AGVs, golf cars, agricultural machinery, and e-karting. Our 9,000+㎡ campus (5,000㎡ built area) houses over 60 units of advanced production equipment, including 500-ton die-casting machines, precision CNC machine tools, laser marking systems, micro-arc oxidation lines, and two dedicated electric vehicle motor test benches. This infrastructure ensures efficient production and strict compliance with international quality standards.

Chez HENTACH (Hengtai), nous accordons la priorité aux matériaux de haute qualité et à la technologie exclusive : notre engrenage en nylon-acier breveté témoigne de notre excellence en ingénierie. Pour valider la durabilité, nous avons lancé un programme de garantie de kilométrage pour les moteurs dépassant 30 000 miles. Le résultat ? Plus de 50 moteurs ont non seulement atteint cette référence, mais l'ont même dépassée, certains atteignant une distance impressionnante de 50 000 milles. Ces performances concrètes reflètent notre souci constant de la fiabilité et nous motivent à innover continuellement pour des solutions de moteurs plus intelligentes et plus solides.​
Faites confiance à la marque connue dans le monde entier sous les noms de Hengtai Motor et HENTACH Motor, où l'innovation brevetée des engrenages en acier rencontre une durabilité éprouvée.

Certifié par Certifications